December 14, 2025
Text Size: T T T
Color Scheme:                         
Language: English | 中文 | All
View All : Main > Courses > Rose-Hulman Institute of Technology > ES203 - Electrical Systems > Week 4
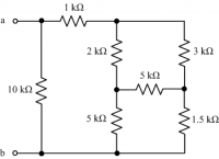
diagram_thumbnail Problem 7

Simplify the circuit between terminals a and b.

DC Circuits > Resistive Circuits > Equivalent Resistance
Keywords:
  • Resistor
,
  • Delta-Wye Resistor Simplifications,
  • Series-Parallel Resistor Combinations
,
  • Algebra
Length: 5:15    Date Added: 2007-05-23 20:24:04    Filename: resistive_equivResistance_ex7    ID: 19
diagram_thumbnail Problem 1

Find the equivalent resistance at terminals a and b.

DC Circuits > Resistive Circuits > Equivalent Resistance
Keywords:
  • Resistor
,
  • Equivalent Resistor Formulas
,
  • Algebra
Length: 3:36    Date Added: 2006-08-29 13:31:25    Filename: resistive_equivResistance_ex1    ID: 70
diagram_thumbnail Problem 2

Reduce the circuit to a single resistor at terminals a and b.

DC Circuits > Resistive Circuits > Equivalent Resistance
Keywords:
  • Resistor
,
  • Equivalent Resistor Formulas
,
  • Algebra
Length: 3:41    Date Added: 2007-05-23 20:24:04    Filename: resistive_equivResistance_ex2    ID: 71
diagram_thumbnail Problem 3

Find the current i in the circuit.

DC Circuits > Resistive Circuits > Equivalent Resistance
Keywords:
  • Resistor,
  • Independent Voltage Source
,
  • Equivalent resistor formulas,
  • Ohm's law
,
  • Algebra
Length: 5:43    Date Added: 2007-05-23 20:24:04    Filename: resistive_equivResistance_ex3    ID: 72
diagram_thumbnail Problem 4

Obtain the equivalent resistance at terminals a-b.

DC Circuits > Resistive Circuits > Equivalent Resistance
Keywords:
  • Resistor
,
  • Equivalent Resistance Formulas
,
  • Algebra
Length: 6:08    Date Added: 2007-05-23 20:24:04    Filename: resistive_equivResistance_ex4    ID: 73
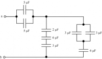
diagram_thumbnail Problem 1

Find the equivalent capacitance across terminals a and b.

DC Circuits > Energy Storage Elements > Equivalent Capacitance
Keywords:
  • Capacitor
,
  • Equivalent Capacitance
,
  • Algebra
Length: 5:26    Date Added: 2007-05-23 20:24:04    Filename: energyStorage_equivCapac_ex1    ID: 99
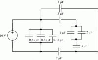
diagram_thumbnail Problem 2

Find the equivalent capacitance seen by the voltage source.

DC Circuits > Energy Storage Elements > Equivalent Capacitance
Keywords:
  • Independent Voltage Source,
  • Capacitor
,
  • Equivalent Capacitance
,
  • Algebra
Length: 5:39    Date Added: 2007-05-23 20:24:04    Filename: energyStorage_equivCapac_ex2    ID: 100
diagram_thumbnail Problem 1

Find the equivalent inductance across terminals a and b.

DC Circuits > Energy Storage Elements > Equivalent Inductance
Keywords:
  • Inductor
,
  • Series-Parallel Inductor Combinations
,
  • Algebra
Length: 4:41    Date Added: 2007-05-23 20:24:04    Filename: energyStorage_equivInduc_ex1    ID: 101
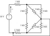
diagram_thumbnail Problem 1

Find the current i through the 7kΩ resistor using current division.

DC Circuits > Resistive Circuits > Current Divider
Keywords:
  • Resistor
,
  • Current Divider Formulas
,
  • Algebra
Length: 5:32    Date Added: 2006-08-29 13:31:46    Filename: resistive_currentDivider_ex1    ID: 174
diagram_thumbnail Problem 2

Given that i = 6mA, v = 6V, 2i1 = 3i2, i2 = 2i3, v4:v3 = 2:1, we need to specify the resistors to meet the following specification.

DC Circuits > Resistive Circuits > Current Divider
Keywords:
  • Resistor
,
  • Current Divider Formulas
,
  • Algebra
Length: 9:22    Date Added: 2007-05-23 20:24:04    Filename: resistive_currentDivider_ex2    ID: 175
diagram_thumbnail Problem 1

Use voltage division to find the current i through the 30 kΩ resistor and the voltage v across the 6 kΩ resistor.

DC Circuits > Resistive Circuits > Voltage Divider
Keywords:
  • Resistor
,
  • Voltage Divider Formulas
,
  • Algebra
Length: 6:05    Date Added: 2007-05-23 20:24:04    Filename: resistive_viDivider_ex1    ID: 176
diagram_thumbnail Problem 1

Use current division and voltage division to find the voltage vab across terminals a-b.

DC Circuits > Resistive Circuits > Voltage Divider
Keywords:
  • Resistor
,
  • Voltage Divider Formulas
,
  • Algebra
Length: 5:44    Date Added: 2007-05-23 20:24:04    Filename: resistive_viDivider_ex2    ID: 177
diagram_thumbnail Problem 1

Use voltage division to find the current i through the 30 kΩ resistor and the voltage v across the 6 kΩ resistor.

DC Circuits > Resistive Circuits > Voltage Divider
Keywords:
  • Resistor
,
  • Voltage Divider Formulas
,
  • Algebra
Length: 8:39    Date Added: 2007-05-23 20:24:04    Filename: resistive_voltDivider_ex1    ID: 178