|
|
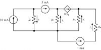
Problem 1
Determine the current through each of the resistors in this circuit. |
|
DC Circuits >
Resistive Circuits >
Kirchhoff's Current Law
Keywords:
Length: 4:37
Date Added: 2007-05-23 20:24:04
Filename: resistive_kcl_ex1
ID: 23
|