|
|
Problem 1
Find the equivalent inductance across terminals a and b. |
|
DC Circuits >
Energy Storage Elements >
Equivalent Inductance
Keywords:
Length: 4:41
Date Added: 2007-05-23 20:24:04
Filename: energyStorage_equivInduc_ex1
ID: 101
|
|
|
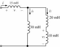
Problem 2
Given that i(t) = e^(-1000t) and i1(0) = 0A, find v(t), i1(t), i2(t), and v2(t) for t>0. |
|
DC Circuits >
Energy Storage Elements >
Equivalent Inductance
Keywords:
Length: 10:13
Date Added: 2007-05-23 20:24:04
Filename: energyStorage_equivInduc_ex2
ID: 102
|