December 14, 2025
Text Size: T T T
Color Scheme:                         
Language: English | 中文 | All
View All : Main > Topics > AC Circuits > Power > Power Factor > Problem #3
Keywords:

Power

Power Factor

Problem #3

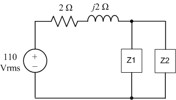
In the circuit, Z1=100+j60 Ω and Z2=10-j20 Ω. Calculate the pf of the equivalent

load as seen by the voltage source and the total complex power delivered by the voltage source.

diagram
Need a hint?

solution

Check your result

Additional files available

Video Transcript