December 14, 2025
Text Size: T T T
Color Scheme:                         
Language: English | 中文 | All
View All : Main > Topics > AC Circuits > Phasors > Operational Amplifiers > Problem #4
Keywords:

Phasors

Operational Amplifiers

Problem #4

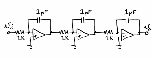
Suppose this circuit is driven by a sinusoidal voltage source operating at 200 Hz. Determine the gain and phase shift of the circuit.

diagram
Need a hint?

solution

Check your result

Additional files available

Video Transcript