Keywords:
Phasors
Norton Equivalents
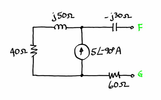
Problem #1
Find the Norton equivalent circuit at the terminals F-G. Express all complex values in your solution in both rectangular and polar form.
Need a hint?
If the circuit contains no dependent sources, use the "lookback impedance" method.