December 14, 2025
Text Size: T T T
Color Scheme:                         
Language: English | 中文 | All
View All : Main > Topics > AC Circuits > Frequency Response > Third-Order Lowpass Filter
diagram_thumbnail Problem 1

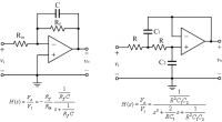
Use the prototype circuits shown below to design a third-order lowpass Butterworth filter that will have a passband gain of 10 dB and a cutoff frequency of 4 kHz.

AC Circuits > Frequency Response > Third-Order Lowpass Filter
Keywords:
Length: 9:19    Date Added: 2007-07-27 13:28:04    Filename: ac_freq_activelpf3_ex1_eng    ID: 392