Problem ID: 98
Problem Filename: energyStorage_capacOpAmp_ex1
Keywords:
Circut Description:
- Independent Voltage Source
- Resistor
- Capacitor
- Op Amp
- Waveform
Analysis Method:
- Ideal Op Amp Characteristics
- V-I Capacitor Relationship
Math Method:
- Calculus
- Algebra
- Graphing
Energy Storage Elements
Capacitors and Op Amps
Problem #1
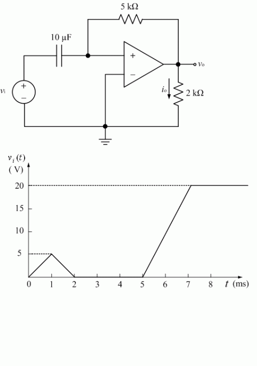
The input waveform vi(t) is applied to this circuit as shown. Find the output voltage vo(t) and the current io(t).
Need a hint?
Use the V-I capacitor relationship and the current through the 5kΩ resistor to relate v0 to vi. Then find an interval function for vi(t). Use the v0 and vi relation to find v0 for each interval. Then use Ohm's law to find i0.