December 13, 2025
Text Size: T T T
Color Scheme:                         
Language: English | 中文 | All
View All : Main > Courses > Rose-Hulman Institute of Technology > ES203 - Electrical Systems > Week 6
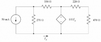
diagram_thumbnail Problem 1

Use mesh current analysis to find Vx.

DC Circuits > Mesh Analysis > Dependent Sources
Keywords:
  • resistor,
  • independent voltage source,
  • dependent current source
,
  • Mesh Current Analysis, Ohm's Law, Kirchhoff's Voltage Law
,
  • Algebra
Length: 3:37    Date Added: 2007-05-23 20:24:04    Filename: mesh_dep_ex1    ID: 5
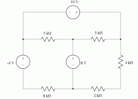
diagram_thumbnail Problem 1

Use nodal analysis to determine whether the dependent voltage source is absorbing or delivering power to the rest of the circuit.

DC Circuits > Nodal Analysis > Dependent Sources
Keywords:
  • resistor,
  • dependent voltage source,
  • independent current source
,
  • nodal analysis
,
  • algebra
Length: 6:41    Date Added: 2007-05-23 20:24:04    Filename: nodal_dep_1    ID: 8
diagram_thumbnail Problem 1

Use mesh current analysis to find the voltage across each resistor.

DC Circuits > Mesh Analysis > Independent Voltage Sources
Keywords:
  • Resistor,
  • Independent Voltage Source
,
  • Mesh Current Analysis, Ohm's Law, Kirchhoff's Voltage Law
,
  • Algebra
Length: 4:18    Date Added: 2006-08-29 13:31:12    Filename: mesh_indvs_ex1    ID: 10
diagram_thumbnail Problem 2

Use mesh analysis to determine the two defined currents, Ix and Iy.

DC Circuits > Mesh Analysis > Independent Voltage Sources
Keywords:
  • Independent Voltage Source,
  • Resistor
,
  • Mesh Current Analysis,
  • Ohm's Law,
,
  • Algebra,
  • Matrix Algebra
Length: 5:38    Date Added: 2007-05-23 20:24:04    Filename: mesh_indvs_ex2    ID: 60
diagram_thumbnail Problem 3

Determine all of the mesh currents in the circuit.

DC Circuits > Mesh Analysis > Independent Voltage Sources
Keywords:
  • Independent Voltage Source,
  • Resistor
,
  • Mesh Current Analysis,
  • Ohm's Law,
,
  • Algebra,
  • Matrix Algebra
Length: 5:13    Date Added: 2007-05-23 20:24:04    Filename: mesh_indvs_ex3    ID: 61
diagram_thumbnail Problem 1

Determine all of the mesh currents in the circuit.

DC Circuits > Mesh Analysis > Current Source in Single Mesh
Keywords:
  • Independent Voltage Source,
  • Resistor,
  • Independent Current Source
,
  • Mesh Current Analysis, Ohm's Law, Kirchhoff's Voltage Law
,
  • Algebra
Length: 4:29    Date Added: 2007-05-23 20:24:04    Filename: mesh_owncs_ex1    ID: 62
diagram_thumbnail Problem 2

Use mesh current analysis to find Vz.

DC Circuits > Mesh Analysis > Current Source in Single Mesh
Keywords:
  • Independent Current Source,
  • Resistor
,
  • Mesh Current Analysis, Ohm's Law, Kirchhoff's Voltage Law
,
  • Algebra
Length: 5:10    Date Added: 2007-05-23 20:24:04    Filename: mesh_owncs_ex2    ID: 63
diagram_thumbnail Problem 1

Use mesh current analysis to find the power associated with each voltage source.

DC Circuits > Mesh Analysis > Current Source in Two Meshes (Supermeshes)
Keywords:
  • Independent Voltage Source,
  • Resistor,
  • Independent Current Source
,
  • Mesh Current Analysis,
  • Ohm's Law,
  • Kirchhoff's Voltage Law,
  • Power Equations
,
  • Algebra
Length: 6:05    Date Added: 2007-05-23 20:24:04    Filename: mesh_sharedcs_ex1    ID: 64
diagram_thumbnail Problem 2

Determine each mesh current in this circuit.

DC Circuits > Mesh Analysis > Current Source in Two Meshes (Supermeshes)
Keywords:
  • Independent Current Source,
  • Resistor
,
  • Mesh Current Analysis,
  • Ohm's Law,
  • Kirchhoff's Voltage Law
,
  • Algebra,
  • Matrix Algebra
Length: 3:42    Date Added: 2007-05-23 20:24:04    Filename: mesh_sharedcs_ex2    ID: 65
diagram_thumbnail Problem 3

Use mesh analysis to find Vx and Iy.

DC Circuits > Mesh Analysis > Current Source in Two Meshes (Supermeshes)
Keywords:
  • Independent Voltage Source,
  • Resistor,
  • Independent Current Source
,
  • Mesh Current Analysis,
  • Ohm's Law,
  • Kirchhoff's Voltage Law
,
  • Algebra,
  • Matrix Algebra
Length: 6:36    Date Added: 2007-05-23 20:24:04    Filename: mesh_sharedcs_ex3    ID: 66
diagram_thumbnail Problem 3

Use mesh current analysis to find the phasor voltages V1 and V2.

AC Circuits > Phasors > Mesh Analysis
Keywords:
Length: 5:23    Date Added: 2007-07-26 11:50:15    Filename: ac_phasors_mesh_ex3_eng    ID: 341
diagram_thumbnail Problem 1

Find the steady-state sinusoidal current i(t) using mesh current analysis.

AC Circuits > Phasors > Mesh Analysis
Keywords:
Length: 6:14    Date Added: 2007-07-27 09:47:18    Filename: ac_phasors_mesh_ex1_eng    ID: 366
diagram_thumbnail Problem 2

Use mesh current analysis to find the phasor current I and the phasor voltages V1 and V2.

AC Circuits > Phasors > Mesh Analysis
Keywords:
Length: 6:56    Date Added: 2007-07-27 09:56:15    Filename: ac_phasors_mesh_ex2_eng    ID: 367
diagram_thumbnail Problem 4

Find the current I using mesh current analysis.

AC Circuits > Phasors > Mesh Analysis
Keywords:
Length: 4:43    Date Added: 2007-07-27 10:06:25    Filename: ac_phasors_mesh_ex4_eng    ID: 369
diagram_thumbnail Problem 5

Find the indicated mesh currents.

AC Circuits > Phasors > Mesh Analysis
Keywords:
Length: 5:50    Date Added: 2007-07-27 10:10:25    Filename: ac_phasors_mesh_ex5_eng    ID: 372
diagram_thumbnail Problem 1

Apply repeated source transformations to reduce this to an equivalent circuit at the terminals G-H. The simplified circuit will consist of a voltage source in series with two series-connected passive elements.

AC Circuits > Phasors > Source Transformations
Keywords:
Length: 4:24    Date Added: 2007-07-27 10:37:11    Filename: ac_phasors_srctrans_ex1_eng    ID: 374
diagram_thumbnail Problem 2

Apply repeated source transformations to reduce this to an equivalent circuit at the terminals J-K. The simplified circuit will consist of a current source in parallel with two series-connected passive elements.

AC Circuits > Phasors > Source Transformations
Keywords:
Length: 5:16    Date Added: 2007-07-27 10:55:45    Filename: ac_phasors_srctrans_ex2_eng    ID: 375
diagram_thumbnail Problem 4

Find all of the node voltages in the circuit.

AC Circuits > Phasors > Nodal Analysis
Keywords:
Length: 3:01    Date Added: 2007-07-31 13:20:55    Filename: ac_phasors_nodal_ex4_eng    ID: 410
diagram_thumbnail Problem 5

Find the indicated currents expressed as cosine functions. Use the node voltage analysis method first.

AC Circuits > Phasors > Nodal Analysis
Keywords:
Length: 7:19    Date Added: 2007-07-31 14:29:03    Filename: ac_phasors_nodal_ex5_eng    ID: 411
diagram_thumbnail Problem 6

Use nodal analysis to determine which impedance element has the lowest voltage magnitude across its terminals.

AC Circuits > Phasors > Nodal Analysis
Keywords:
Length: 6:01    Date Added: 2007-07-31 15:16:16    Filename: ac_phasors_nodal_ex6_eng    ID: 412
diagram_thumbnail Problem 1

Find the steady-state sinusoidal voltages v1(t) and v2(t) using node voltage analysis.

AC Circuits > Phasors > Nodal Analysis
Keywords:
Length: 6:30    Date Added: 2007-08-03 14:30:09    Filename: ac_phasors_nodal_ex1_eng    ID: 450
diagram_thumbnail Problem 2

Find the steady-state sinusoidal voltages v1(t), v2(t), and v3(t) using node voltage analysis.

AC Circuits > Phasors > Nodal Analysis
Keywords:
Length: 7:29    Date Added: 2007-08-03 14:30:18    Filename: ac_phasors_nodal_ex2_eng    ID: 451
diagram_thumbnail Problem 3

Find the steady-state sinusoidal voltages v1(t) and v2(t) using node voltage analysis.

AC Circuits > Phasors > Nodal Analysis
Keywords:
Length: 5:15    Date Added: 2007-08-03 14:30:24    Filename: ac_phasors_nodal_ex3_eng    ID: 452