December 14, 2025
Text Size: T T T
Color Scheme:                         
Language: English | 中文 | All
View All : Main > Courses > Rose-Hulman Institute of Technology > ES203 - Electrical Systems > Week 5 > Problem #1
Problem ID: 240
Problem Filename: nodal_gndvs_1
Keywords:
Circut Description:
  • resistor
  • power supply
  • node voltage
Analysis Method:
  • Nodal Analysis
Math Method:
  • algebra

Nodal Analysis

Grounded Voltage Sources

Problem #1

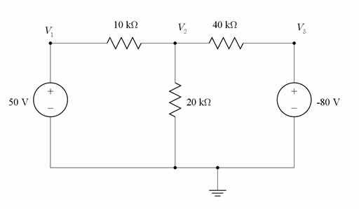
Find the three indicated node voltages using the node voltage method.

diagram
Need a hint?

Related files

Pspice

solution

Check your result

Additional files available

Video Transcript