December 14, 2025
Text Size: T T T
Color Scheme:                         
Language: English | 中文 | All
View All : Main > Courses > Rose-Hulman Institute of Technology > ES203 - Electrical Systems > Week 3 > Problem #1
Problem ID: 75
Problem Filename: resistive_kvl_ex1
Keywords:
Circut Description:
  • Independent Voltage Source
  • Dependent Voltage Source
  • Resistor
Analysis Method:
  • Kirchhoff's Voltage Law
Math Method:
  • Algebra

Resistive Circuits

Kirchhoff's Voltage Law

Problem #1

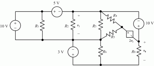
Find the voltage across resistor R0.

diagram
Need a hint?

solution

Additional files available

Video Transcript