December 13, 2025
Text Size: T T T
Color Scheme:                         
Language: English | 中文 | All
View All : Main > Courses > Rose-Hulman Institute of Technology > ES203 - Electrical Systems > Week 1
diagram_thumbnail Problem 1

Which devices are labeled according to the passive sign convention (PSC)?

DC Circuits > Circuit Variables > Passive Sign Convention
Keywords:
  • Independent Voltage Source,
  • Resistor,
  • Independent Current Source,
  • Battery
,
  • Passive Sign Convention Rules
Length: 1:40    Date Added: 2006-08-29 13:31:10    Filename: cktvars_psc_ex1    ID: 2
Problem 1

(a) Suppose that a 12-volt automobile battery with 100 amp-hour capacity is fully charged. How much energy (in joules) is stored in the battery?

(b) Next, suppose that the battery needs to supply the automobile's emergency flashers while the driver seeks roadside assistance. The flashers consume 50 watts of power when on, and the flashers are active for a half second out of every two seconds. Assuming that the battery can maintain its rated output voltage until completely depleted of stored energy, how long (in hours) will the battery be able to operate the flashers?

DC Circuits > Circuit Variables > Energy
Keywords:
  • Battery
,
  • Dimensional Analysis,
  • SI Units
,
  • Algebra
Length: 5:22    Date Added: 2007-05-23 20:24:04    Filename: cktvars_energy_ex1    ID: 40
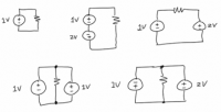
diagram_thumbnail Problem 2

For each device, state whether Passive Sign Convention (PSC) or Active Sign Convention (ASC) is used for the defined current and voltage. Then determine whether the device is absorbing or delivering power.

DC Circuits > Circuit Variables > Passive Sign Convention
Keywords:
  • Independent Voltage Source,
  • Resistor,
  • Independent Current Source,
  • Battery
,
  • Passive Sign Convention Rules
,
  • Algebra
Length: 3:45    Date Added: 2007-05-23 20:24:04    Filename: cktvars_psc_ex2    ID: 46
diagram_thumbnail Problem 3

For labeled currents, draw an arrow to show the direction of positive current. For labeled voltages, circle the node that is at the highest potential.

DC Circuits > Circuit Variables > Passive Sign Convention
Keywords:
  • Generic device,
  • Wire
,
  • Passive Sign Convention Rules
Length: 1:41    Date Added: 2007-05-23 20:24:04    Filename: cktvars_psc_ex3    ID: 47
diagram_thumbnail Problem 1

For each current source, draw a current label (arrow and value) pointing up or to the right that is equivalent to the indicated current.

DC Circuits > Circuit Elements > Current Sources
Keywords:
  • Independent Current Sources
,
  • Definition of Current Direction
,
  • Algebra
Length: 1:17    Date Added: 2007-05-23 20:24:04    Filename: cktels_cs_ex1    ID: 79
diagram_thumbnail Problem 2

Which of the following circuit connections are invalid?

DC Circuits > Circuit Elements > Current Sources
Keywords:
  • Independent Current Source,
  • Resistor
,
  • Definition of Current Direction
,
  • Algebra
Length: 2:22    Date Added: 2007-05-23 20:24:04    Filename: cktels_cs_ex2    ID: 80
diagram_thumbnail Problem 1

For each voltage source, draw a voltage label (polarity indicators and value) with the positive indicator at the top or to the right that is equivalent to the indicated voltage.

DC Circuits > Circuit Elements > Voltage Sources
Keywords:
  • Independent Voltage Source
,
  • Definition of Voltage Polarity
,
  • Algebra
Length: 1:25    Date Added: 2007-05-23 20:24:04    Filename: cktels_vs_ex1    ID: 81
diagram_thumbnail Problem 1

For each current source, draw a current label (arrow and value) pointing up or to the right that is equivalent to the indicated content.

DC Circuits > Circuit Elements > Dependent Current Sources
Keywords:
  • Dependent Current Source
,
  • Definition of Current Direction
,
  • Algebra
Length: 2:10    Date Added: 2007-05-23 20:24:04    Filename: cktels_depcs_ex1    ID: 82
diagram_thumbnail Problem 2

Which of the following circuit connections are invalid?

DC Circuits > Circuit Elements > Voltage Sources
Keywords:
  • Independent Voltage Source,
  • Resistor
,
  • Definition of Voltage Polarity
,
  • Algebra
Length: 1:47    Date Added: 2007-05-23 20:24:04    Filename: cktels_vs_ex2    ID: 85
diagram_thumbnail Problem 1

For each voltage source, draw a voltage label (polarity indicators and value) with the positive indicator at the top or to the right that is equivalent to the indicated voltage.

DC Circuits > Circuit Elements > Dependent Voltage Sources
Keywords:
  • Dependent Voltage Source
,
  • Definition of Voltage Polarity
,
  • Algebra
Length: 1:49    Date Added: 2007-05-23 20:24:04    Filename: cktels_depvs_ex1    ID: 86
Problem 1

A "night light" illuminates dark hallways and children's rooms at night. Older night lights use incandescent bulbs (tungsten filament in an evacuated glass envelope), while newer night lights use light-emitting diodes (LEDs). The older style night light bulb requires 4 W of power to operate, while a newer LED night light might require about 0.2 W of power. According to the U.S. Department of Energy, a kilowatt-hour costs 9.85 cents for the residential customers, on average (http://www.eia.doe.gov/cneaf/electricity/epm/table5_6_b.html).

During the course of a year, what is the total cost saved by using an LED-based night light instead of the older style night light?

DC Circuits > Circuit Variables > SI Units
Keywords:
  • light,
  • LED
  • algebra
Length: 4:20    Date Added: 2007-05-23 20:24:04    Filename: cktvars_units_ex1    ID: 246
Problem 3

As of 1983, the definition of a "meter" is based on the speed of light, specifically, the distance that light travels in a vacuum during the time interval 299,792,458-1 seconds. Electrical signals moving in a cable (for example, the coaxial cable that connects your television to the cable jack in the wall) travel at approximately 70% of the speed of light. Speaking of television, a high-definition (HD) receiver can update its display 60 times per second, where each display frame contains 1280x720 pixels.

So: How far can the television signal travel in a coaxial cable during the time that an HD receiver is drawing a new pixel on the screen?

DC Circuits > Circuit Variables > SI Units
Keywords:
  • television,
  • pixel,
  • coaxial cable
  • algebra
Length: 3:15    Date Added: 2007-05-23 20:24:04    Filename: cktvars_units_ex3    ID: 247
Problem 4

Beginning in Beijing, China, you need to travel about 11,000 kilometers to reach New York City. Communication satellite signals traveling between these two cities move at close to the speed of light (3x108 meters per second). The eye blink duration of a human is approximately 300 milliseconds. So, is it possible for a communication signal to jump from Beijing to New York in the "blink of an eye?"

DC Circuits > Circuit Variables > SI Units
Keywords:
  • communication satellite,
  • eye blink
  • algebra
Length: 2:19    Date Added: 2007-05-23 20:24:04    Filename: cktvars_units_ex4    ID: 248