December 14, 2025
Text Size: T T T
Color Scheme:                         
Language: English | 中文 | All
View All : Main > Topics > DC Circuits > Operational Amplifiers > Combination > Problem #5
Problem ID: 167
Problem Filename: opAmp_combo_ex5
Keywords:
Circut Description:
  • single stage
  • operational amplifier
Analysis Method:
  • Ideal opamp model
Math Method:
  • algebra

Operational Amplifiers

Combination

Problem #5

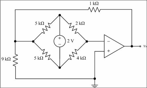
Find the output voltage vo of the ideal op amp.

diagram
Need a hint?

solution

Check your result

Additional files available

Video Transcript Written