|
|
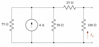
Problem 1
Use the proportionality property of linear circuits to find the current IX. |
|
DC Circuits >
Proportionality >
Current Source
Keywords:
Length: 3:17
Date Added: 2007-05-23 20:24:04
Filename: proportionality_cs_1
ID: 106
|