December 13, 2025
Text Size: T T T
Color Scheme:                         
Language: English | 中文 | All
View All : Main > Topics > DC Circuits > Resistive Circuits > Kirchhoff's Current Law
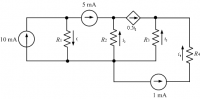
diagram_thumbnail Problem 1

Determine the current through each of the resistors in this circuit.

DC Circuits > Resistive Circuits > Kirchhoff's Current Law
Keywords:
  • Resistor,
  • Independent Current Source,
  • Dependent Current Source
,
  • Kirchhoff's current law,
  • Ohm's law
,
  • Algebra
Length: 4:37    Date Added: 2007-05-23 20:24:04    Filename: resistive_kcl_ex1    ID: 23