December 13, 2025
Text Size: T T T
Color Scheme:                         
Language: English | 中文 | All
View All : Main > Topics > DC Circuits > Resistive Circuits > Kirchhoff's Current and Voltage Laws
diagram_thumbnail Problem 1

Find the value of V0.

DC Circuits > Resistive Circuits > Kirchhoff's Current and Voltage Laws
Keywords:
  • Independent Voltage Source,
  • Resistor,
  • Independent Current Source
,
  • Kirchhoff's Current Law,
  • Kirchhoff's Voltage Law
,
  • Algebra
Length: 6:49    Date Added: 2006-08-29 13:31:14    Filename: resistive_kclKvl_ex1    ID: 20
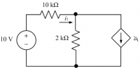
diagram_thumbnail Problem 2

Find the current through the 10 kΩ resistor.

DC Circuits > Resistive Circuits > Kirchhoff's Current and Voltage Laws
Keywords:
  • Independent Voltage Source,
  • Dependent Current Source,
  • Resistor
,
  • Kirchhoff's Current Law,
  • Kirchhoff's Voltage Law,
  • Ohm's Law
,
  • Algebra
Length: 5:39    Date Added: 2007-05-23 20:24:04    Filename: resistive_kclKvl_ex2    ID: 21
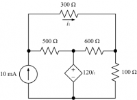
diagram_thumbnail Problem 3

Find the current through the 300 Ω resistor.

DC Circuits > Resistive Circuits > Kirchhoff's Current and Voltage Laws
Keywords:
  • Independent Current Source,
  • Resistor,
  • Dependent Voltage Source
,
  • Kirchhoff's Current Law,
  • Kirchhoff's Voltage Law,
  • Ohm's Law
,
  • Algebra
Length: 8:48    Date Added: 2007-05-23 20:24:04    Filename: resistive_kclKvl_ex3    ID: 22
diagram_thumbnail Problem 4

A circuit analysis program tells us that v1 = 2V, v2 = 2V, v3 = -5V, v4 = 8V, and V5 = 5V. Test whether this is correct.

DC Circuits > Resistive Circuits > Kirchhoff's Current and Voltage Laws
Keywords:
  • Independent Current Source,
  • Independent Voltage Source,
  • Dependent Voltage Source,
  • Resistor
,
  • Kirchhoff's Current Law
,
  • Algebra
Length: 6:27    Date Added: 2007-05-23 20:24:04    Filename: resistive_kclKvl_ex4    ID: 74
diagram_thumbnail Problem 5

Find the currents i1, i2, and i3 using KCL.

DC Circuits > Resistive Circuits > Kirchhoff's Current and Voltage Laws
Keywords:
  • generic element
  • algebra
Length: 5:41    Date Added: 2007-05-23 20:24:04    Filename: resistive_kclKvl_ex5    ID: 105