December 14, 2025
Text Size: T T T
Color Scheme:                         
Language: English | 中文 | All
View All : Main > Topics > DC Circuits > Energy Storage Elements > Equivalent Inductance
diagram_thumbnail Problem 1

Find the equivalent inductance across terminals a and b.

DC Circuits > Energy Storage Elements > Equivalent Inductance
Keywords:
  • Inductor
,
  • Series-Parallel Inductor Combinations
,
  • Algebra
Length: 4:41    Date Added: 2007-05-23 20:24:04    Filename: energyStorage_equivInduc_ex1    ID: 101
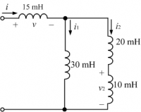
diagram_thumbnail Problem 2

Given that i(t) = e^(-1000t) and i1(0) = 0A, find v(t), i1(t), i2(t), and v2(t) for t>0.

DC Circuits > Energy Storage Elements > Equivalent Inductance
Keywords:
  • Inductor
,
  • Series-Parallel Inductor Combinations,
  • V-I Inductor Relationship,
  • KCL
,
  • Calculus,
  • Algebra
Length: 10:13    Date Added: 2007-05-23 20:24:04    Filename: energyStorage_equivInduc_ex2    ID: 102