December 14, 2025
Text Size: T T T
Color Scheme:                         
Language: English | 中文 | All
View All : Main > Topics > DC Circuits > Energy Storage Elements > Capacitors and Op Amps
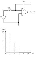
diagram_thumbnail Problem 1

The input waveform vi(t) is applied to this circuit as shown. Find the output voltage vo(t) and the current io(t).

DC Circuits > Energy Storage Elements > Capacitors and Op Amps
Keywords:
  • Independent Voltage Source,
  • Resistor,
  • Capacitor,
  • Op Amp,
  • Waveform
,
  • Ideal Op Amp Characteristics,
  • V-I Capacitor Relationship,
,
  • Calculus,
  • Algebra,
  • Graphing
Length: 9:59    Date Added: 2006-08-29 13:31:31    Filename: energyStorage_capacOpAmp_ex1    ID: 98
diagram_thumbnail Problem 2

Given the input voltage shown in the figure below, determine vo(t). Assume the capacitor is fully discharged.

DC Circuits > Energy Storage Elements > Capacitors and Op Amps
Keywords:
  • capacitor,
  • resistor,
  • op amp,
  • waveform
  • algebra
Length: 9:10    Date Added: 2007-05-23 20:24:04    Filename: energyStorage_capacOpAmp_ex2    ID: 249