December 13, 2025
Text Size: T T T
Color Scheme:                         
Language: English | 中文 | All
View All : Main > Topics > DC Circuits > Source Transformations > Multiple Sources > Problem #6
Problem ID: 78
Problem Filename: srcTrans_ex6
Keywords:
Circut Description:
  • Independent Current Source
  • Independent Voltage Source
  • Resistor
Analysis Method:
  • Source Transformations
  • Parallel Resistor and Current Source Combinations
Math Method:
  • Algebra

Source Transformations

Multiple Sources

Problem #6

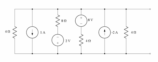
Use repeated source transformations to convert this circuit into Norton form.

diagram
Need a hint?

solution

Check your result

Additional files available

Video Transcript Written