December 14, 2025
Text Size: T T T
Color Scheme:                         
Language: English | 中文 | All
View All : Main > Topics > Transient Circuits > First Order > RC Initial Conditions
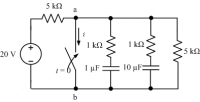
diagram_thumbnail Problem 1

The circuit is in the steady state mode before the switch closes at t=0; Determine the current i(t) through terminal a and b for t>0.

Transient Circuits > First Order > RC Initial Conditions
Keywords:
  • independent voltage source,
  • capacitor,
  • resistor,
  • switch,
  • step response,
  • transient
,
  • transient response
,
  • differential equation
Length: 7:12    Date Added: 2007-05-23 20:24:04    Filename: firstOrder_rcInitialCond_ex1    ID: 1