December 14, 2025
Text Size: T T T
Color Scheme:                         
Language: English | 中文 | All
View All : Main > Topics > Transient Circuits > First Order > RL Step Response
diagram_thumbnail Problem 1

Consider the RL circuit in which the switch closes at t=0. Assume the initial current through the inductor is I0. Our goal is to find the inductor current iL(t) for t>0.

Transient Circuits > First Order > RL Step Response
Keywords:
  • voltage source,
  • switch,
  • inductor,
  • first order linear equation
,
  • first order response
,
  • differential equation
Length: 6:17    Date Added: 2007-05-23 20:24:04    Filename: firstOrder_rlStep_ex1    ID: 37
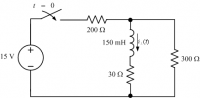
diagram_thumbnail Problem 2

The switch in the circuit has been open for a long time (steady-state conditions apply) and closes at t=0. Determine current through the inductor iL(t) for t>0.

Transient Circuits > First Order > RL Step Response
Keywords:
  • voltage source,
  • step response,
  • inductor,
,
  • step response equation
,
  • differential equation
Length: 7:47    Date Added: 2007-05-23 20:24:04    Filename: firstOrder_rlStep_ex2    ID: 38