December 14, 2025
Text Size: T T T
Color Scheme:                         
Language: English | 中文 | All
View All : Main > Topics > Transient Circuits > First Order > RL Initial Conditions
diagram_thumbnail Problem 1

The switch has been in position (a) for a long time before it goes to position (b). Find the values for the inductor voltage and current immediately after the switch closes and as time approaches infinity.

Transient Circuits > First Order > RL Initial Conditions
Keywords:
  • independent voltage source,
  • inductor,
  • resistor,
  • switch
,
  • transient response
,
  • differential equation
Length: 5:52    Date Added: 2007-05-23 20:24:04    Filename: firstOrder_rlInitialCond_ex1    ID: 31
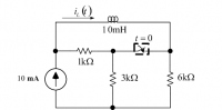
diagram_thumbnail Problem 2

Assume the switch in the circuit below has been open for a long time, find the expression for the inductor current iL(t) after the switch closes.

Transient Circuits > First Order > RL Initial Conditions
Keywords:
  • independent current source,
  • resistor,
  • inductor,
  • switch,
  • initial conditions,
  • transient response
,
  • transient response
,
  • differential equation
Length: 5:23    Date Added: 2007-05-23 20:24:04    Filename: firstOrder_rlInitialCond_ex2    ID: 32