December 13, 2025
Text Size: T T T
Color Scheme:                         
Language: English | 中文 | All
View All : Main > Topics > AC Circuits > Power > Power Factor
diagram_thumbnail Problem 1

The load in the circuit absorbs an average power of 80 W and a reactive power of 60 VAR. What is the power factor of the load? What are the values of the resistor and the inductor if v = 110 cos (2π60t) V?

AC Circuits > Power > Power Factor
Keywords:
Length: 5:15    Date Added: 2007-07-26 13:18:13    Filename: ac_power_pf_ex1_eng    ID: 347
diagram_thumbnail Problem 2

Three 220 Vrms loads are connected in parallel. Load 1 absorbs an average power of 800 W and a reactive power of 200 VAR. Load 2 absorbs an average power of 600 W at 0.6 lagging power factor. Load 3 is a 80 Ω resistor in series with a capacitive reactance of 60  Ω. What is the pf of the equivalent load as seen by the voltage source?

AC Circuits > Power > Power Factor
Keywords:
Length: 6:48    Date Added: 2007-07-26 13:20:54    Filename: ac_power_pf_ex2_eng    ID: 348
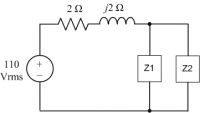
diagram_thumbnail Problem 3

In the circuit, Z1=100+j60 Ω and Z2=10-j20 Ω. Calculate the pf of the equivalent

load as seen by the voltage source and the total complex power delivered by the voltage source.

AC Circuits > Power > Power Factor
Keywords:
Length: 4:27    Date Added: 2007-07-26 13:23:55    Filename: ac_power_pf_ex3_eng    ID: 349