Keywords:
Phasors
Nodal Analysis
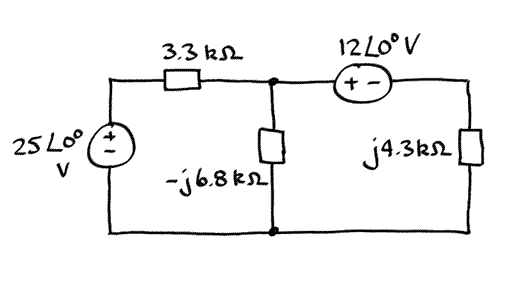
Problem #6
Use nodal analysis to determine which impedance element has the lowest voltage magnitude across its terminals.
Need a hint?
This circuit has an ungrounded (floating) voltage source, no matter where you pick the ground node, therefore you need to use the "supernode" method.