December 13, 2025
Text Size: T T T
Color Scheme:                         
Language: English | 中文 | All
View All : Main > Topics > AC Circuits > Frequency Response > Highpass Filter
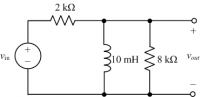
diagram_thumbnail Problem 1

Find the transfer function for H(jω)=Vout/Vin. What type of filter is it?

AC Circuits > Frequency Response > Highpass Filter
Keywords:
Length: 4:34    Date Added: 2007-07-26 10:36:36    Filename: ac_freq_passivehpf_ex1_eng    ID: 327
diagram_thumbnail Problem 2

Find the transfer function for H(jω)=Vout/Vin. What type of filter is it? What is the cutoff frequency of the filter?

AC Circuits > Frequency Response > Highpass Filter
Keywords:
Length: 5:10    Date Added: 2007-07-26 10:42:19    Filename: ac_freq_passivehpf_ex2_eng    ID: 328