Keywords:
Frequency Response
Active Filter
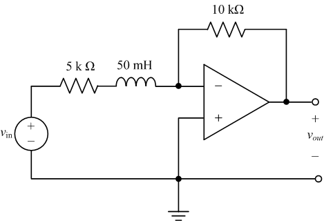
Problem #2
Obtain the output voltage in s.s.s for the input voltage is Vin=1cos(100,000t+45°) V.
Need a hint?
Derive the transfer function of the circuit and then evaluate the transfer function H(s) for s=j100000. Multiply the amplitude of the input by that of H(s) to get the amplitude of the output. Add the phase angle of the input to that of H(s) to get the phase angle of the output.