October 12, 2025
Text Size: T T T
Color Scheme:                         
Language: English | 中文 | All
View All : Main > Courses > Rose-Hulman Institute of Technology > ES203 - Electrical Systems > Week 5
diagram_thumbnail Problem 5

How should the value of the variable voltage source Vx be adjusted to cause the voltage at node M to be zero?

DC Circuits > Nodal Analysis > Grounded Voltage Sources
Keywords:
  • variable voltage source,
  • resistor,
  • circuit design
,
  • Use nodal analysis and find a relationship between Vx and Vc
,
  • Algebra
Length: 3:21    Date Added: 2007-05-23 20:24:04    Filename: nodal_gndvs_5    ID: 3
diagram_thumbnail Problem 4

Find the value of R that will make VC = 8 volts. For this value of R, find VB and VA.

DC Circuits > Nodal Analysis > Grounded Voltage Sources
Keywords:
  • resistor,
  • independent voltage source
,
  • nodal analysis
,
  • algebra
Length: 5:04    Date Added: 2007-05-23 20:24:04    Filename: nodal_gndvs_4    ID: 4
diagram_thumbnail Problem 3

Find the indicated currents; use the node voltage method first.

DC Circuits > Nodal Analysis > Grounded Voltage Sources
Keywords:
  • independent voltage source,
  • independent current source,
  • resistor
,
  • nodal analysis
,
  • algebra
Length: 5:31    Date Added: 2007-05-23 20:24:04    Filename: nodal_gndvs_3    ID: 6
diagram_thumbnail Problem 3

Determine which sources are delivering power and which sources are absorbing power.

DC Circuits > Nodal Analysis > Independent Current Sources
Keywords:
  • resistor,
  • independent current source
,
  • nodal analysis
,
  • algebra
Length: 8:11    Date Added: 2007-05-23 20:24:04    Filename: nodal_indcs_3    ID: 7
diagram_thumbnail Problem 1

(a) Does the circuit have a "floating voltage source" which would require the "supernode" technique for nodal analysis?

(b) Write the nodal equations for this circuit.

DC Circuits > Nodal Analysis > Floating Voltage Sources (Supernodes)
Keywords:
  • resistor,
  • independent voltage source
,
  • nodal analysis
,
  • algebra
Length: 3:04    Date Added: 2007-05-23 20:24:04    Filename: nodal_super_1    ID: 9
diagram_thumbnail Problem 2

Find all the node voltages in the circuit.

DC Circuits > Nodal Analysis > Grounded Voltage Sources
Keywords:
  • independent current source,
  • independent voltage source,
  • resistors
,
  • nodal analysis
,
  • algebra
Length: 4:42    Date Added: 2007-05-23 20:24:04    Filename: nodal_gndvs_2    ID: 11
diagram_thumbnail Problem 4

Find the three indicated node voltages using the node voltage method.

DC Circuits > Nodal Analysis > Independent Current Sources
Keywords:
  • resistors,
  • independent current source
,
  • nodal analysis
,
  • algebra
Length: 3:59    Date Added: 2007-05-23 20:24:04    Filename: nodal_indcs_4    ID: 12
diagram_thumbnail Problem 1

Determine the number of nodes in each circuit, and draw a closed contour around each node.

DC Circuits > Nodal Analysis > Counting Nodes
Keywords:
  • Independent Voltage Source,
  • Resistor
,
  • Definition of Node
Length: 3:17    Date Added: 2007-05-23 20:24:04    Filename: nodal_count_ex1    ID: 48
diagram_thumbnail Problem 2

Determine the number of nodes in this circuit, and draw a closed contour around each node.

DC Circuits > Nodal Analysis > Counting Nodes
Keywords:
  • Independent Voltage Source,
  • Resistor
,
  • Definition of Node
Length: 1:37    Date Added: 2007-05-23 20:24:04    Filename: nodal_count_ex2    ID: 49
diagram_thumbnail Problem 3

Determine the number of nodes in this circuit, and draw a closed contour around each node.

DC Circuits > Nodal Analysis > Counting Nodes
Keywords:
  • Independent Voltage Source,
  • Resistor
,
  • Definition of Node
Length: 2:32    Date Added: 2007-05-23 20:24:04    Filename: nodal_count_ex3    ID: 50
diagram_thumbnail Problem 1

Using nodal analysis, find the power delivered or absorbed by each element.

DC Circuits > Nodal Analysis > Independent Current Sources
Keywords:
  • Independent Current Source,
  • Resistor
,
  • Nodal Analysis
,
  • Algebra
Length: 9:05    Date Added: 2007-05-23 20:24:04    Filename: nodal_indcs_ex1    ID: 51
diagram_thumbnail Problem 2

Use the node with the most connected branches as the ground reference, and then determine the remaining node voltages.

DC Circuits > Nodal Analysis > Independent Current Sources
Keywords:
  • Independent Current Source,
  • Resistor
,
  • Nodal Analysis
,
  • Algebra
Length: 7:36    Date Added: 2006-08-29 13:31:21    Filename: nodal_indcs_ex2    ID: 52
diagram_thumbnail Problem 2

Use nodal analysis to determine the resistors that absorb the most and least power.

DC Circuits > Nodal Analysis > Floating Voltage Sources (Supernodes)
Keywords:
  • Independent Voltage Source,
  • Resistor
,
  • Nodal Analysis,
  • Supernode Analysis,
  • Power Formulas
,
  • Algebra
Length: 7:13    Date Added: 2007-05-23 20:24:04    Filename: nodal_super_ex2    ID: 67
diagram_thumbnail Problem 3

Write the nodal equations for this circuit.

DC Circuits > Nodal Analysis > Floating Voltage Sources (Supernodes)
Keywords:
  • Independent Voltage Source,
  • Resistor,
  • Independent Current Source,
  • Battery
,
  • Nodal Analysis,
  • Supernode Analysis
Length: 3:09    Date Added: 2007-05-23 20:24:04    Filename: nodal_super_ex3    ID: 68
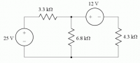
diagram_thumbnail Problem 1

Find the three indicated node voltages using the node voltage method.

DC Circuits > Nodal Analysis > Grounded Voltage Sources
Keywords:
  • resistor,
  • power supply,
  • node voltage
,
  • Nodal Analysis
,
  • algebra
Length: 5:19    Date Added: 2007-05-23 20:24:04    Filename: nodal_gndvs_1    ID: 240