October 12, 2025
Text Size: T T T
Color Scheme:                         
Language: English | 中文 | All
View All : Main > Topics > DC Circuits > Operational Amplifiers > Instrumentation > Problem #1
Problem ID: 216
Problem Filename: opAmp_instrument_ex1
Keywords:
Circut Description:
  • Instrumentation
  • operational amplifier
Analysis Method:
  • Ideal opamp model
Math Method:
  • algebra

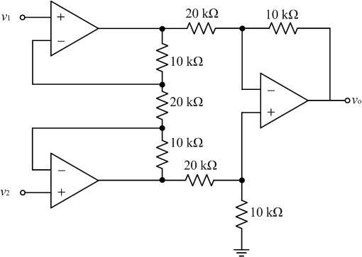
Operational Amplifiers

Instrumentation

Problem #1

a) Determine the output voltage of the instrumentation amplifier when v1 = 0V and v2 = 0.1V b) Assume the input signal is distorted by noise and the input voltage becomes v1 = 10V and v2 = 10.1V Recalculate the output voltage.

diagram
Need a hint?