October 12, 2025
Text Size: T T T
Color Scheme:                         
Language: English | 中文 | All
View All : Main > Topics > DC Circuits > Operational Amplifiers > Difference > Problem #1
Problem ID: 215
Problem Filename: opAmp_diff_ex1
Keywords:
Circut Description:
  • difference
  • operational amplifier
Analysis Method:
  • Ideal opamp model
Math Method:
  • algebra

Operational Amplifiers

Difference

Problem #1

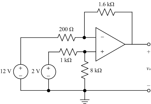
Find the output voltage vo

diagram
Need a hint?