December 14, 2025
Text Size: T T T
Color Scheme:                         
Language: English | 中文 | All
View All : Main > Topics > DC Circuits > Operational Amplifiers > Summing > Problem #2
Problem ID: 180
Problem Filename: opAmp_sum_ex2
Keywords:
Circut Description:
  • summing
  • operational amplifier
Analysis Method:
  • Ideal opamp model
Math Method:
  • algebra

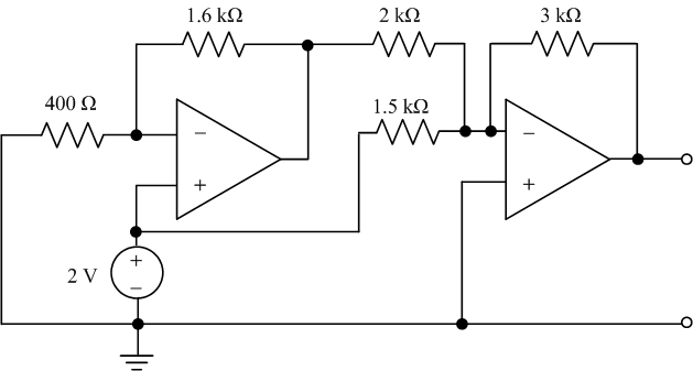
Operational Amplifiers

Summing

Problem #2

Find the output voltage vo

diagram
Need a hint?