October 12, 2025
Text Size: T T T
Color Scheme:                         
Language: English | 中文 | All
View All : Main > Topics > DC Circuits > Proportionality > Current Source
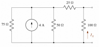
diagram_thumbnail Problem 1

Use the proportionality property of linear circuits to find the current IX.

DC Circuits > Proportionality > Current Source
Keywords:
  • independent current source,
  • resistor
,
  • proportionality
,
  • algebra
Length: 3:17    Date Added: 2007-05-23 20:24:04    Filename: proportionality_cs_1    ID: 106