December 14, 2025
Text Size: T T T
Color Scheme:                         
Language: English | 中文 | All
View All : Main > Topics > DC Circuits > Resistive Circuits > Kirchhoff's Voltage Law > Problem #1
Problem ID: 75
Problem Filename: resistive_kvl_ex1
Keywords:
Circut Description:
  • Independent Voltage Source
  • Dependent Voltage Source
  • Resistor
Analysis Method:
  • Kirchhoff's Voltage Law
Math Method:
  • Algebra

Resistive Circuits

Kirchhoff's Voltage Law

Problem #1

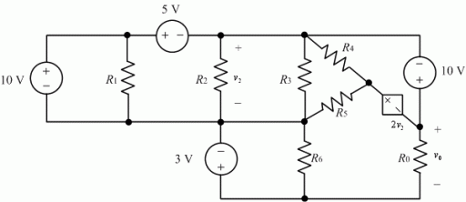
Find the voltage across resistor R0.

diagram
Need a hint?

solution

Additional files available

Video Transcript