October 12, 2025
Text Size: T T T
Color Scheme:                         
Language: English | 中文 | All
View All : Main > Topics > DC Circuits > Mesh Analysis > Independent Voltage Sources > Problem #3
Problem ID: 61
Problem Filename: mesh_indvs_ex3
Keywords:
Circut Description:
  • Independent Voltage Source
  • Resistor
Analysis Method:
  • Mesh Current Analysis
  • Ohm's Law
Math Method:
  • Algebra
  • Matrix Algebra

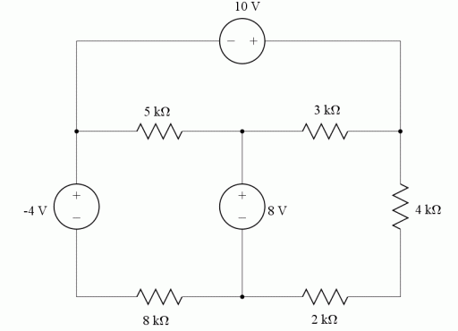
Mesh Analysis

Independent Voltage Sources

Problem #3

Determine all of the mesh currents in the circuit.

diagram
Need a hint?

solution

Check your result

Additional files available

Video Transcript Written