December 13, 2025
Text Size: T T T
Color Scheme:                         
Language: English | 中文 | All
View All : Main > Topics > DC Circuits > Nodal Analysis > Independent Current Sources > Problem #3
Problem ID: 7
Problem Filename: nodal_indcs_3
Keywords:
Circut Description:
  • resistor
  • independent current source
Analysis Method:
  • nodal analysis
Math Method:
  • algebra

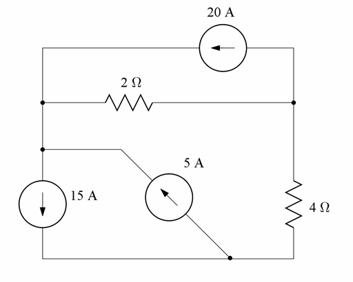
Nodal Analysis

Independent Current Sources

Problem #3

Determine which sources are delivering power and which sources are absorbing power.

diagram
Need a hint?

solution

Check your result

Additional files available

Video Transcript