December 13, 2025
Text Size: T T T
Color Scheme:                         
Language: English | 中文 | All
View All : Main > Topics > DC Circuits > Nodal Analysis > Grounded Voltage Sources > Problem #2
Problem ID: 11
Problem Filename: nodal_gndvs_2
Keywords:
Circut Description:
  • independent current source
  • independent voltage source
  • resistors
Analysis Method:
  • nodal analysis
Math Method:
  • algebra

Nodal Analysis

Grounded Voltage Sources

Problem #2

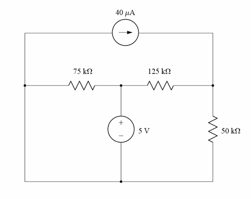
Find all the node voltages in the circuit.

diagram
Need a hint?

solution

Check your result

Additional files available

Video Transcript

Related files

Pspice Circut Files