Problem ID: 102
Problem Filename: energyStorage_equivInduc_ex2
Keywords:
Circut Description:
- Inductor
Analysis Method:
- Series-Parallel Inductor Combinations
- V-I Inductor Relationship
- KCL
Math Method:
- Calculus
- Algebra
Energy Storage Elements
Equivalent Inductance
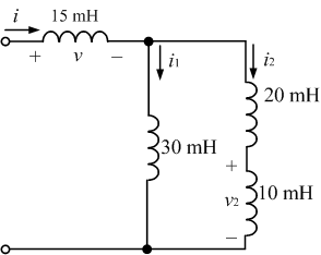
Problem #2
Given that i(t) = e^(-1000t) and i1(0) = 0A, find v(t), i1(t), i2(t), and v2(t) for t>0.
Need a hint?
Find an equation for v(t) using the V-I inductor formula. Define v1(t) as the voltage across the 30mH inductor and find it by combining three parallel resistors and using the V-I inductor formula. You can then find i1 using the V-I relationship. I2 can be found using KCL, and v2 can be found using the V-I relationship.