December 14, 2025
Text Size: T T T
Color Scheme:                         
Language: English | 中文 | All
View All : Main > Topics > DC Circuits > Energy Storage Elements > Equivalent Capacitance > Problem #1
Problem ID: 99
Problem Filename: energyStorage_equivCapac_ex1
Keywords:
Circut Description:
  • Capacitor
Analysis Method:
  • Equivalent Capacitance
Math Method:
  • Algebra

Energy Storage Elements

Equivalent Capacitance

Problem #1

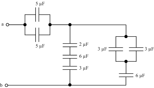
Find the equivalent capacitance across terminals a and b.

diagram
Need a hint?

solution

Check your result

Additional files available

Video Transcript