October 12, 2025
Text Size: T T T
Color Scheme:                         
Language: English | 中文 | All
View All : Main > Topics > DC Circuits > Source Transformations > Multiple Sources
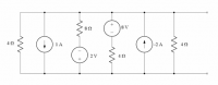
diagram_thumbnail Problem 4

Use repeated source transformations to convert this circuit into Thevenin form.

DC Circuits > Source Transformations > Multiple Sources
Keywords:
  • Independent Current Source,
  • Independent Voltage Source,
  • Resistor
,
  • Source Transformations,
  • Parallel Resistor and Current Source Combinations
,
  • Algebra
Length: 3:35    Date Added: 2006-08-29 13:31:25    Filename: srcTrans_ex4    ID: 69
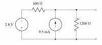
diagram_thumbnail Problem 5

Use repeated source transformations to convert this circuit into Thevenin form.

DC Circuits > Source Transformations > Multiple Sources
Keywords:
  • Independent Current Source,
  • Independent Voltage Source,
  • Resistor
,
  • Source Transformations,
  • Series and Parallel Resistor and Current Source Combinations
,
  • Algebra
Length: 4:53    Date Added: 2007-05-23 20:24:04    Filename: srcTrans_ex5    ID: 77
diagram_thumbnail Problem 6

Use repeated source transformations to convert this circuit into Norton form.

DC Circuits > Source Transformations > Multiple Sources
Keywords:
  • Independent Current Source,
  • Independent Voltage Source,
  • Resistor
,
  • Source Transformations,
  • Parallel Resistor and Current Source Combinations
,
  • Algebra
Length: 3:55    Date Added: 2007-05-23 20:24:04    Filename: srcTrans_ex6    ID: 78