October 12, 2025
Text Size: T T T
Color Scheme:                         
Language: English | 中文 | All
View All : Main > Topics > DC Circuits > Source Transformations > Single Source > Problem #1
Problem ID: 254
Problem Filename: srcTrans_res_ex1
Keywords:
Circut Description:
  • independent current source
  • resistor
Analysis Method:
  • source transformation
Math Method:
  • algebra

Source Transformations

Single Source

Problem #1

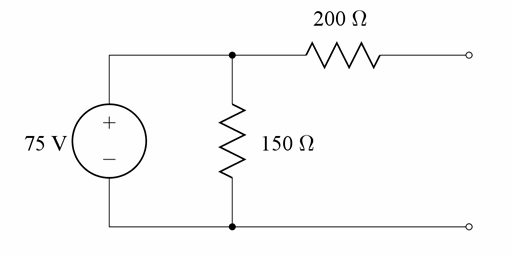
Use repeated source transformations to convert this circuit into Norton form.

diagram
Need a hint?

solution

Check your result

Additional files available

Video Transcript