December 13, 2025
Text Size: T T T
Color Scheme:                         
Language: English | 中文 | All
View All : Main > Topics > Transient Circuits > Second Order (RLC) > Response Type > Problem #5
Problem ID: 245
Problem Filename: rlc_responsetype_5
Keywords:
Circut Description:
  • resistor
  • capacitor
  • inductor
Math Method:
  • algebra

Second Order (RLC)

Response Type

Problem #5

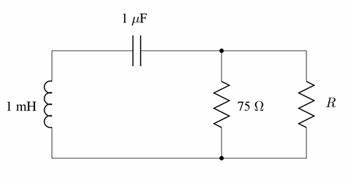
What value of R will make this circuitry critically damped?

diagram
Need a hint?

solution

Check your result

Additional files available

Video Transcript