December 13, 2025
Text Size: T T T
Color Scheme:                         
Language: English | 中文 | All
View All : Main > Topics > Transient Circuits > Second Order (RLC) > Response Type > Problem #1
Problem ID: 241
Problem Filename: rlc_responsetype_1
Keywords:
Circut Description:
  • resistor
  • capacitor
  • inductor
Math Method:
  • algebra

Second Order (RLC)

Response Type

Problem #1

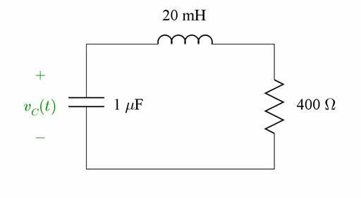
For each circuit, determine the qualitative form of the response vc(t) as being either overdamped, underdamped, or critically damped.

diagram
Need a hint?

Related files

Pspice

solution

Check your result

Additional files available

Video Transcript