October 12, 2025
Text Size: T T T
Color Scheme:                         
Language: English | 中文 | All
View All : Main > Topics > Transient Circuits > First Order > RL Sequential Response > Problem #1
Problem ID: 33
Problem Filename: firstOrder_rlSequential_ex1
Keywords:
Circut Description:
  • sequential switch
Analysis Method:
  • state equations
Math Method:
  • differential equation

First Order

RL Sequential Response

Problem #1

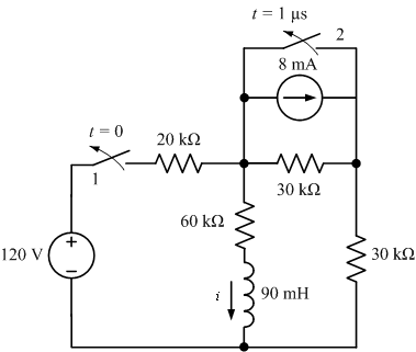
The two switches in the circuit have been closed for a long time.  At t=0 Switch 1 opens and after 1ms Switch 2 opens. Find the inductor current iL(t) for t>0.

diagram
Need a hint?