December 14, 2025
Text Size: T T T
Color Scheme:                         
Language: English | 中文 | All
View All : Main > Topics > S-Domain Circuits > Circuit Analysis > Step Response > Problem #1
Keywords:

Circuit Analysis

Step Response

Problem #1

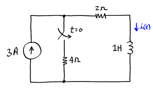
Find the expression for the current i(t) which is valid for all time t.

Plot the current for a time range before and after the switch closes.

diagram
Need a hint?

solution

Check your result

Additional files available

Video Transcript