October 12, 2025
Text Size: T T T
Color Scheme:                         
Language: English | 中文 | All
View All : Main > Topics > S-Domain Circuits > Circuit Analysis > Step Response
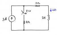
diagram_thumbnail Problem 1

Find the expression for the current i(t) which is valid for all time t.

Plot the current for a time range before and after the switch closes.

S-Domain Circuits > Circuit Analysis > Step Response
Keywords:
Length: 8:57    Date Added: 2007-07-27 10:08:05    Filename: s_cktanalysis_step_ex1_eng    ID: 371