December 14, 2025
Text Size: T T T
Color Scheme:                         
Language: English | 中文 | All
View All : Main > Topics > AC Circuits > Power > Maximum Power Tranfer > Problem #2
Keywords:

Power

Maximum Power Tranfer

Problem #2

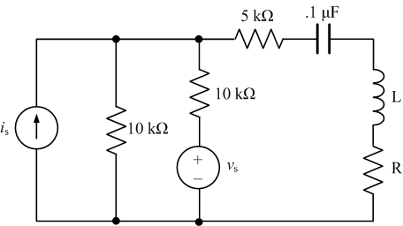
Determine settings of R and L that will result in the maximum average power transferred to R if is = 1 cos(1000t) mA and vs = 30 cos(1000t+30°) V. What is the maximum average power transferred to R?

diagram
Need a hint?

solution

Check your result

Additional files available

Video Transcript