December 14, 2025
Text Size: T T T
Color Scheme:                         
Language: English | 中文 | All
View All : Main > Topics > AC Circuits > Power > Instantaneous Power
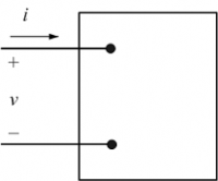
diagram_thumbnail Problem 1

Calculate the instantaneous power at the terminals of the network if v = 10 cos(2π 60t + 130°) V, i = 1 cos(2π 60t + 60°) mA

AC Circuits > Power > Instantaneous Power
Keywords:
Length: 4:54    Date Added: 2007-07-27 13:59:59    Filename: ac_power_inst_ex1_eng    ID: 401