October 12, 2025
Text Size: T T T
Color Scheme:                         
Language: English | 中文 | All
View All : Main > Topics > AC Circuits > Phasors > Nodal Analysis > Problem #6
Keywords:

Phasors

Nodal Analysis

Problem #6

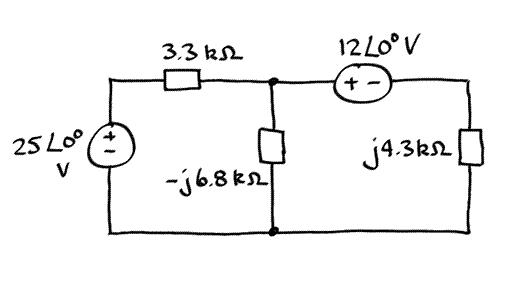
Use nodal analysis to determine which impedance element has the lowest voltage magnitude across its terminals.

diagram
Need a hint?

solution

Check your result

Additional files available

Video Transcript