Keywords:
Phasors
Mesh Analysis
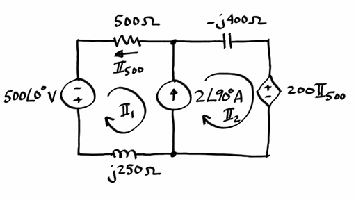
Problem #5
Find the indicated mesh currents.
Need a hint?
Write the mesh current equations in terms of I1 and I2, then write I500 in terms of the defined mesh currents.
|
April 5, 2026
|
Text Size: | ||||
| Color Scheme: | |||||
| Language: |
|
View All : Main >
Topics >
AC Circuits >
Phasors >
Mesh Analysis >
Problem #5
Keywords:
PhasorsMesh AnalysisProblem #5Find the indicated mesh currents.
Need a hint?
Write the mesh current equations in terms of I1 and I2, then write I500 in terms of the defined mesh currents. solutionAdditional files availableVideo Transcript |