October 12, 2025
Text Size: T T T
Color Scheme:                         
Language: English | 中文 | All
View All : Main > Topics > AC Circuits > Phasors > Mesh Analysis > Problem #2
Keywords:

Phasors

Mesh Analysis

Problem #2

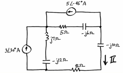
Find the current I using mesh current analysis.

diagram
Need a hint?

solution

Check your result

Additional files available

Video Transcript