Keywords:
Frequency Response
Transfer Function
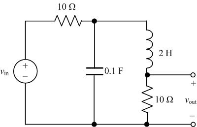
Problem #3
Find the transfer function for H(s)=Vo/Vi.
Need a hint?
Apply voltage divider twice to derive the transfer function.
|
April 5, 2026
|
Text Size: | ||||
| Color Scheme: | |||||
| Language: |
|
View All : Main >
Topics >
AC Circuits >
Frequency Response >
Transfer Function >
Problem #3
Keywords:
Frequency ResponseTransfer FunctionProblem #3Find the transfer function for H(s)=Vo/Vi.
Need a hint?
Apply voltage divider twice to derive the transfer function. solutionAdditional files availableVideo Transcript |